Fotografie
Der Blick für das Schöne
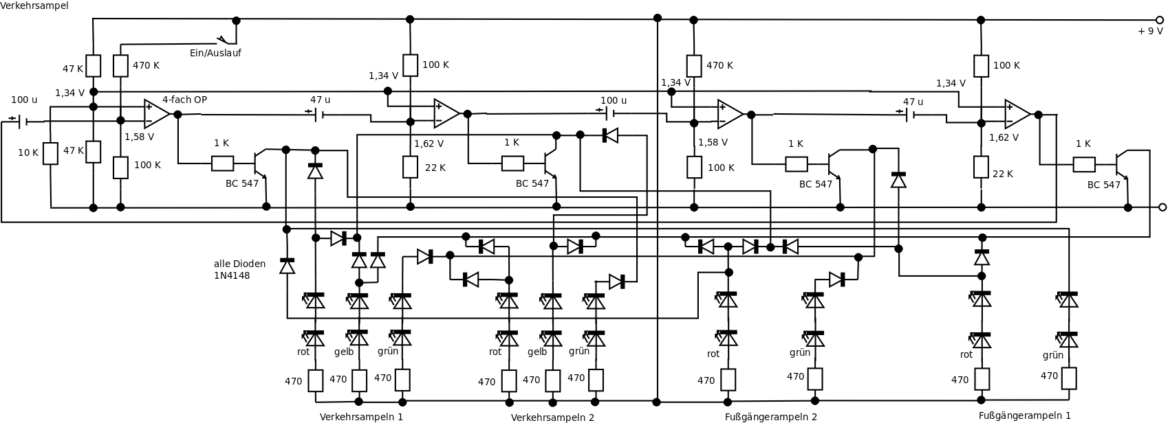
Ampelkreuzung
Text folgt in Kürze.
VA = Verkehrsampel
FA = Fußgängerampel
VA = Verkehrsampel
FA = Fußgängerampel
download als größeres Foto
download als größeres Foto
download als größeres Foto
Text folgt in Kürze.
| Phase1 | Phase2 | Phase3 | Phase4 | Phase5 | Phase6 | Phase7 | Phase8 | |
| VA1 | rot | rot/gelb | grün | gelb | rot | rot | rot | rot |
| VA2 | rot | rot | rot | rot | rot | rot/gelb | grün | gelb |
| FA1 | rot | rot | rot | rot | rot | rot | grün | rot |
| FA2 | rot | rot | grün | rot | rot | rot | rot | rot |
FA = Fußgängerampel
| Phase1 | Phase2 | Phase3 | Phase4 | |
| VA1 | rot | rot/gelb | grün | gelb |
| VA2 | grün | gelb | rot | rot/gelb |
| FA1 | grün | rot | rot | rot |
| FA2 | rot | rot | grün | rot |
FA = Fußgängerampel
download als größeres Foto
download als größeres Foto
download als größeres Foto
Siteinfo
Betreiber der Seite:
Michael Twiste
Kontakt: info@michael-twiste.de